-
Housing and Motor Parts (Figure 9-1-1)
-
Housing and Motor Parts (Figure 9-1-2)
-
Gearing Parts (Figure 9-2-1)
-
Gearing Parts (Figure 9-2-2)
-
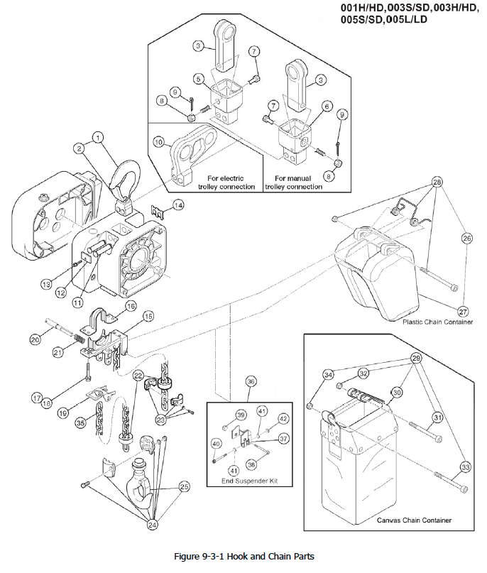
Hook and Chain Parts (Figure 9-3-1)
-
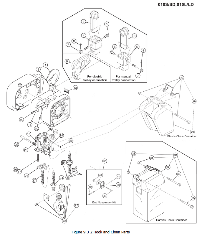
Hook and Chain Parts (Figure 9-3-2)
-
Hook and Chain Parts (Figure 9-3-3)
-
Hook and Chain Parts (Figure 9-3-4)
-
Hook and Chain Parts (Figure 9-3-5)
-
Hook and Chain Parts (Figure 9-3-6)
-
Hook and Chain Parts (Figure 9-3-7)
-
Hook and Chain Parts (Figure 9-3-8)
-
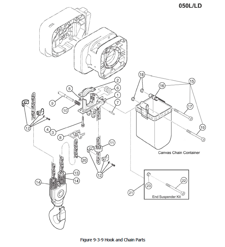
Hook and Chain Parts (Figure 9-3-9)
-
Electrical Parts (Single Speed) (Figure 9-4-1)
-
Electrical Parts (Single Speed) (Figure 9-4-2)
-
Electrical Parts (Single Speed) (Figure 9-4-3)
-
Electrical Parts (dual Speed) (Figure 9-5-1)
-
Electric Parts, Small Frame (2 Spd, Figure 9-5-2)
-
Electric Parts, Large Frame (2 Spd, Figure 9-5-3)
-
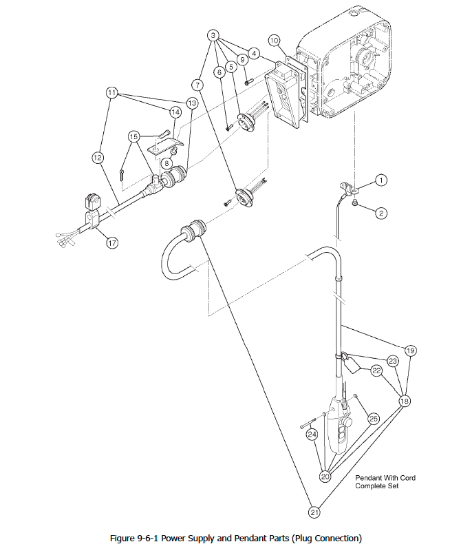
Power Supply and Pendant Parts (Plug Connection)
-
Power Supply and Pendant Parts (direct Connection)
Find the part you need by exploring the diagrams below.
Can't find the part you're looking for? Give us a call at (800) 733-2231.
Housing and Motor Parts (Figure 9-1-1)
Housing and Motor Parts (Figure 9-1-2)
Gearing Parts (Figure 9-2-1)
Gearing Parts (Figure 9-2-2)
Hook and Chain Parts (Figure 9-3-1)
Hook and Chain Parts (Figure 9-3-2)
Hook and Chain Parts (Figure 9-3-3)
Hook and Chain Parts (Figure 9-3-4)
Hook and Chain Parts (Figure 9-3-5)
Hook and Chain Parts (Figure 9-3-6)
Hook and Chain Parts (Figure 9-3-7)
Hook and Chain Parts (Figure 9-3-8)
Hook and Chain Parts (Figure 9-3-9)
Electrical Parts (Single Speed) (Figure 9-4-1)
Electrical Parts (Single Speed) (Figure 9-4-2)
Electrical Parts (Single Speed) (Figure 9-4-3)
Electrical Parts (dual Speed) (Figure 9-5-1)
Electric Parts, Small Frame (2 Spd, Figure 9-5-2)
Electric Parts, Large Frame (2 Spd, Figure 9-5-3)
Power Supply and Pendant Parts (Plug Connection)
Power Supply and Pendant Parts (direct Connection)