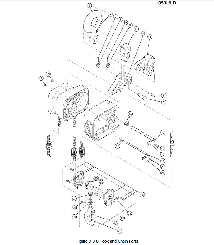
Hook and Chain Parts (Figure 9-3-8)

Harrington Hoist Parts,Harrington NER II Parts,Hook and Chain Parts (Figure 9-3-8)
  • 18 > Machine Screw with Spring Washer For Models: 010S, 010L > 4 19 > Machine Screw With Spring Washer For Models: 025S > 2 21 > Machine Screw with Spring Washer For Models: 050L > 2 2 > Machine Screw w/ Spring Washer For All Models > 2 2 > For All Models > 2 11 > For Models: 003H, 005S, 010L, 010M, 010S, 015S, 020L, 020M, 030C > 4 16 > For Models: 001H, 003S, 005L, 003H, 005S, 010L, 010M, 010S, 015S, 020L, 020M, 030C > 2 27 > For All Models > 2 11 > For Models: 005S, 010L, 010S, 020L, 030C > 4 16 > For Models: 003S, 005L, 005S, 010L, 010S, 020L, 030C, > 2 16 > for 1/8 to 5 Ton > 2
    SKU: HARM6F554010

    Harrington Machine Screw W/ Spring Washer M6F554010

    $0.79
    Adding to cart… The item has been added
  • 26 > For Models: 050L > 1 31 > For Models: 050L > 1
    SKU: HARES022050

    ES022050 Thrust Bearing For Models: 050L

    $55.69
    Adding to cart… The item has been added
  • 22 > Bottom Hook Complete Assembly - (Includes Bottom Hook Assembly and Hook Latch) For Models: 050L > 1
    SKU: HARER2FR1011

    BOTTOM HOOK CPLT SET 050L (Models:ER2) ER2FR1011

    $1,132.86
    Adding to cart… The item has been added
  • 28 > For Models: 050L > 2 30 > For Models: 050L > 2
    SKU: HARES027050

    ES027050 Hook Stopper A For Model: 050L

    $44.67
    Adding to cart… The item has been added
  • 1 > Top Hook Assembly with Hook Latch For Models: 050L > 1
    SKU: HARER2FR1001

    Harrington Hook Assy (Models:ER2) ER2FR1001

    $246.73
    Adding to cart… The item has been added
  • 3 > For Models: 050L > 1 2 > For Models: 050L > 1
    SKU: HARMR1GS9001

    Suspender E (for Geared Trolley) MR1GS9001

    $464.15
    Adding to cart… The item has been added
  • 10,000 - 19,999 lbs 11 > For Models: 050L > 1 1 > For Models: 050L > 1
    SKU: HARER1FR9031

    5 Ton Suspension For MDT - ER1FR9031

    $240.93
    Adding to cart… The item has been added
  • 78 > Label > 1 78 > Label > 1 77 > Label > 1 39 > For Models: 020C > 1 39 > For Models: 030C > 1 31 > For Models: 050L > 1
    SKU: HAR80173

    80173 Name Plate C For Models: 020C

    $3.11
    Adding to cart… The item has been added
  • 23 > Bottom Hook Assembly - (Includes Hook Latch) For Models: 050L > 1
    SKU: HARER2FR2011

    BOTTOM HOOK ASSY (Models:ER2) ER2FR2011

    Call for Price
    Adding to cart… The item has been added
  • 25 > Bottom Yoke Assembly For Models: 050L > 1
    SKU: HARER2FR2015

    BOTTOM YOKE ASSY (Models:ER2) ER2FR2015

    $656.46
    Adding to cart… The item has been added
  • 8 > For Models: 050L > 1 10 > For Models: 050L > 1
    SKU: HARES041050

    Chain Pin ES041050

    $21.92
    Adding to cart… The item has been added
  • 4 > For Models: 050L > 1
    SKU: HARER2FR9030

    CONNECTION YOKE D (Models:ER2) ER2FR9030

    $343.03
    Adding to cart… The item has been added
  • 13 > For Models: 050L > 1
    SKU: HARER2FS6128

    ER2FS6128 Top Pin Plug Assembly For Models: 050L

    $9.66
    Adding to cart… The item has been added
  • 16 > For Models: 050L > 1
    SKU: HARER2FS6131

    ER2FS6131 Fixing Shaft Plug Assembly For Models: 050L

    $9.66
    Adding to cart… The item has been added
  • 27 > For Models: 050L > 1 29 > For Models: 050L > 1
    SKU: HARES026050

    ES026050 Thrust Collar A For Models: 050L

    $32.86
    Adding to cart… The item has been added
  • 30 > For Models: 050L > 1 32 > For Models: 050L > 1
    SKU: HARES5054050

    ES5054050 Bottom Shaft Assembly For Model: 050L

    $154.98
    Adding to cart… The item has been added