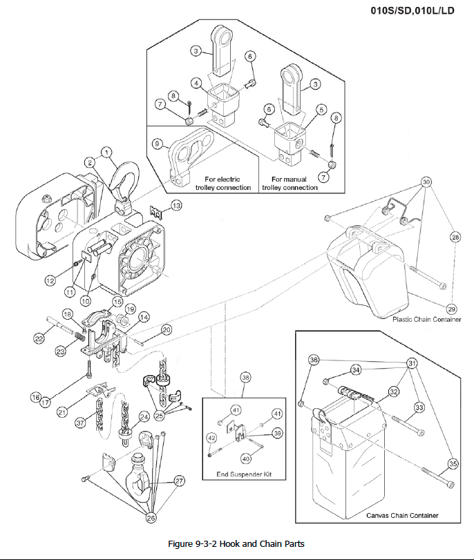
Hook and Chain Parts (Figure 9-3-2)

Harrington Hoist Parts,Harrington NER II Parts,Hook and Chain Parts (Figure 9-3-2)
  • 37 > NP Load Chain For Models: 010S, 010L > 1 46 > NP Load Chain For Models: 020C > 1 Y
    SKU: HARLCER2010NP

    Harrington 1 Ton NER2/ER2/SNER Load Chain (2010NP)

    $27.10
    Adding to cart… The item has been added
  • 10 > For Models: 010SD > 1 1 > Latch Kit only, For Models: 010SD > 1 2 > Hook Latch For Models: 010S, 010L > 1 27 > For Models: 010S, 010L > 1 2 > For Models: 020C > 1 32 > Hook Latch For Models: 020C > 1 10 > For Models: 010SD > 1 1 > Latch Kit Only - For Models: 010SD > 1
    SKU: HARER2DS1002

    Harrington Latch Kit # ER2DS1002

    $13.25
    Adding to cart… The item has been added
  • 18 > Machine Screw with Spring Washer For Models: 010S, 010L > 4 19 > Machine Screw With Spring Washer For Models: 025S > 2 21 > Machine Screw with Spring Washer For Models: 050L > 2 2 > Machine Screw w/ Spring Washer For All Models > 2 2 > For All Models > 2 11 > For Models: 003H, 005S, 010L, 010M, 010S, 015S, 020L, 020M, 030C > 4 16 > For Models: 001H, 003S, 005L, 003H, 005S, 010L, 010M, 010S, 015S, 020L, 020M, 030C > 2 27 > For All Models > 2 11 > For Models: 005S, 010L, 010S, 020L, 030C > 4 16 > For Models: 003S, 005L, 005S, 010L, 010S, 020L, 030C, > 2 16 > for 1/8 to 5 Ton > 2
    SKU: HARM6F554010

    Harrington Machine Screw W/ Spring Washer M6F554010

    $0.79
    Adding to cart… The item has been added
  • 31 > Canvas Chain Container Assembly (Max. Lifting Height 50 ft., includes canvas chain container, socket bolt, lever nut, socket bolt, lever nut) For Models: 010S, 010L > 1 40 > Canvas Chain Container Assembly (Max. Lifting Height 26 ft., includes Canvas chain container, socket bolt, and lever nut) For Models: 020C > 1
    SKU: HARBK2D2

    Chain Container Kit D2 ER2 (Models:ER2) - BK2D2

    $145.38
    Adding to cart… The item has been added
  • 21 > For Models: 010S, 010L > 1 24 > For Models: 020C w/o Mechanical Load Brake > 1
    SKU: HARER2DS9337

    LIMIT LEVER (Models:ER2) ER2DS9337

    $37.33
    Adding to cart… The item has been added
  • 32 > Canvas Chain Container Assembly For Models: 010S, 010L > 1 41 > Canvas Chain Container For Models: 020C > 1
    SKU: HARER2DS5405

    CHAIN CONT D2 ER1 (Models:ER2) ER2DS5405

    $138.59
    Adding to cart… The item has been added
  • 26 > Bottom Hook Complete Assembly, (Includes Hook Latch) For Models: 010S, 010L > 1
    SKU: HARER2DS1011

    HARRINGTON BOTTOM HOOK CPLT SET 1TON (Models:ER2) ER2DS1011

    $209.53
    Adding to cart… The item has been added
  • 21 > For All Models > 1 23 > For Models: 010S, 010L > 1 23 > For Models: 015S, 020S, 020L > 1 25 > For Models: 020C > 1 25 > For Models: 030C > 1 10 > Spring For Models: 025S > 1 10 > For Models: 050L > 1
    SKU: HARER2CS9357

    LIMIT LEVER SPRING (Models:ER2) ER2CS9357

    $6.35
    Adding to cart… The item has been added
  • 32 > For Models: 1/2T-1T- 1 1/2 - 3T, > 3 46 > For Models: 1/2, 1, 1 1/2, 3, 2, 2 1/2,5,8, 10, 15, 20T, > 3 73 > For Models: 15, 20T, > 4 102 > For Models: 15, 20T, > 4 65 > For Models: 1 1/2 Ton, 2 Ton, 3 Ton, 6 Ton, 9 Ton > 4 15 > For Models: 3/4 Ton, 1 Ton, 1 1/2 Ton, 2 Ton, 2 3/4 Ton, 3 Ton, > 4 32 > For Models: 3/4 Ton, 1 Ton, 1 1/2 Ton, 2 Ton, 2 3/4 Ton, 3 Ton, > 4 31 > Spring Lock Washer For Models: 020S, 030C > 3 31 > For Models: 025S, 050L > 3 25 > For Models: 015S, 020L, 025S, 050L > 3 17 > Spring Lock Washer For Models: 010S, 010L > 4 17 > Spring Lock Washer For Models: 015S, 020S, 020L > 4 20 > Spring Lock Washer For Models: 020C > 4 19 > For Models: 030C > 4 4 > Spring Lock Washer For Models: 025S > 4 4 > Spring Lock Washer For Models: 050L > 4 12 > For Models: 020S, 030C, 025S, 050L > 3 13 > For Models: 010S, 015S, 020L, 020M, 030C, 020S, 025S, 050L, 030L, 030S > 4 23 > For Models: 015S, 020L, 030L, 030S & For Dual Speed Models: 010S, 015S, 020L, 020S, 025S, 030L, 030S, 050L > 3 25 > For Models: 050L > 2 13 > For Models: 003H, 005S, 010L, 010M > 4 57 > For Models: 050L & For Dual Speed Models: 020S, 025S, 030L, 030S, 050L > 3 13 > For Models: 010S, 020L, 030C > 4 23 > For Models: 010S, 020L, 030C > 3 13 > For Models: 005S, 010L > 4 5 > For Models: TCR3000C, TCR6000C2 > 0 5 > For Models: TCR3000C, TCR6000C2 ` > 0 128 > ` > 4 27 > Spring Washer > 1 31 > Spring Washer, Models: 010L, 020L, 010S, 020S > 2 36 > Spring Washer, Models: 020L > 3 36 > Spring Washer, Models: 020S > 3 13 > Spring Washer, Models: 010L, 020L, 010S, & 020S > 4 11 > for 1/8 to 5 Ton > 1 18 > for 1/8 to 5 Ton > 1 22 > for 1/8 to 5 Ton > 2 9 > for 1/8 to 1 Ton > 4 30 > for 1/8 to 2 Ton > 8 34 > for 1/8 to 5 Ton > 4 5 > for 1/8 to 5 Ton > 4 5> for 8 to 10 Ton > 4 5> for 15 to 20 Ton > 8 42 > for 8 to 10 Ton > 4 42 > for 15 to 20 > 8 67 > for 8 to 20 Ton > 2 72 > for 8 to 20 Ton > 2
    SKU: HAR9012711

    Harrington Spring Washer 9012711

    $0.39
    Adding to cart… The item has been added
  • Roller Bearing with Hook 15 > For Models: 010SD > 1 25 > For Models: 010S, 010L > 1 25 > For Models: 020L > 1 29 > For Models: 020C > 2 39 > For Models: 010L, 010M, 010S > 1 15 > For Models: 010SD > 1 39 > For Models: 010L, 010S, > 2
    SKU: HARER1DS1041

    Stopper assembly, ER1DS1041

    $70.55
    Adding to cart… The item has been added
  • 22 > For Models: 010S, 010L > 1 24 > For Models: 020C > 1
    SKU: HARER2DS9338

    LIMIT LEVER PIN (Models:ER2) ER2DS9338

    $184.19
    Adding to cart… The item has been added
  • Model AST 24 > For Models: 010S, 010L > 2 26 > For Models: 020C > 2 7 > For Models with Standard Upper Limit Switch Only: 010L, 010M, 010S > 2 7 > For Models with Standard Upper Limit Switch: 010L, 010S > 2
    SKU: HARER1DS9053

    Cushion Rubber, ER1DS9053

    $39.12
    Adding to cart… The item has been added
  • 8 > For All Models > 1 7 > Slotted Nut For Models: 010S, 010L > 1 6 > For Models: 030C > 1 6 > For Models: 001H, 003S, 005L, 003H, 005S, 010L, 010M, 010S > 1 6 > For Models: 003S, 005L, 005S, 010L, 010S, ` > 1
    SKU: HARL3183008

    SLOTTED NUT, L3183008

    $3.94
    Adding to cart… The item has been added
  • Model AST 20 > For Models: 010S, 010L > 1 4 > For Models: 003H, 005S, 010L, 010M > 1 4 > For Models: 005S, 010L > 1 4 > Roller Pin, Models: 010L, 020L, 010S, 020S > 1
    SKU: HARER1CS9334

    Harrington Hoists Roller Pin (003H) - ER1CS9334

    $7.09
    Adding to cart… The item has been added
  • Model AST 23 > U-Nut for Body > 4 25 > U-Nut for Fig. 24 > 1 23 > U-Nut for Body > 4 25 > U-Nut for Fig. 24 > 1 23 > U-Nut for Body > 4 25 > U-Nut for Fig. 24 > 1 23 > U-Nut for Body > 4 25 > U-Nut for Fig. 24 > 1 52 > U-Nut > 2 23 > U-Nut for Body > 4 25 > U-Nut for Fig. 24 > 1 23 > U-Nut for Body > 4 25 > U-Nut for Fig. 24 > 1 32 > For All Models > 1 39 > For All Models > 1 34 > For Models: 010S, 010L > 1 41 > For Models: 010S, 010L > 2 45 > For Models: 015S, 020S, 020L > 1 43 > For Models: 020C > 1 49 > For Models: 020C > 1 23 > For Models: 001H, 003S, 005L, 003H, 005S, 010L, 010M > 1 29 > For Models: 003H, 005S, 010L, 010M, 010S, 015S, 020L, 020M > 1 23 > For Models: 003S, 005L, 005S, 010L, 010S, 020L, 030C > 1 29 > For Models: 005S, 010L, 010S, 020L, 030C > 1
    SKU: HARES857005S

    Lever Nut, ES857005S

    $7.50
    Adding to cart… The item has been added
  • 15 > For Models: 010S, 010L > 1 18 > For Models: 020C > 1
    SKU: HARER2DS9332

    CHAIN GUIDE B (Models:ER2) ER2DS9332

    $32.50
    Adding to cart… The item has been added