Power Supply and Pendant Parts (direct Connection)

Harrington Hoist Parts,Harrington NER II Parts,Power Supply and Pendant Parts (direct Connection)
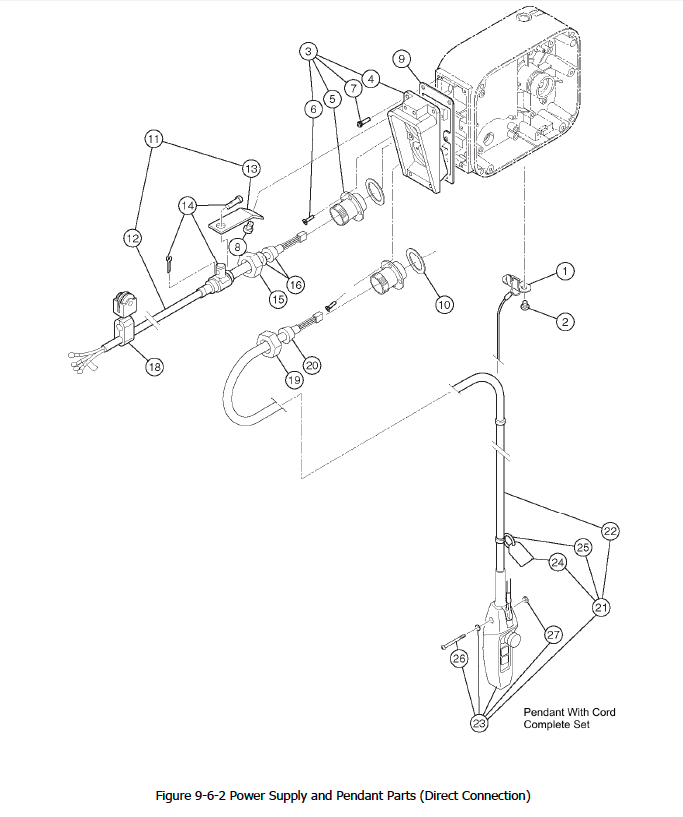
  • 18 > Cable Hanger 14 Assembly For All Models > 1 17 > For All Models > 1 14 > For Models: 001H, 003S, 005L, 003H, 005S, 010L, 010M, 010S, 015S, 020L, 020M, 030C > 2 10 > For Models: 003S, 005L, 005S, 010L, 010S, 020L, 030C > 2 6 > As required, 1 per 5 ft. - for 1/8 to 1 Ton >
    SKU: HARES1527003

    Harrington Cable Hanger Assembly ES1527003

    $18.24
    Adding to cart… The item has been added
  • 22 > Pendant Cord - Single Speed Models (Price per ft.) > 1 19 > For All Single Speed Models > 1 17 > For Dual Speed Models: 001H, 003S, 005L, 003H, 005S, 010L, 010S, 015S, 020L, 020S, 025S, 030L, 030S, 050L > 1 Y 52 > Sold by the foot, SS/SS for 10 (S/SD) Ton > 1 52 > Sold by the foot, SS/SS for 15 to 20 Ton > 2
    SKU: HAR16/4P

    Harrington Push Button Cord 4C/Foot, 16/4P

    $8.78
    Adding to cart… The item has been added
  • 2 Button 23 > Pendant Assembly - Dual Speed Models > 1 20 > For All Models > 1
    SKU: HARSWDH200AA

    Harrington 2-Button, Two Speed Pendant, W / E-Stop, SWDH200AA

    $376.93
    Adding to cart… The item has been added
  • 42 > All Capacities, 6 Conductor Cable by the foot > 1 22 > Pendant Cord - Dual Speed Models (Price per ft.) > 1 19 > For All Dual Speed Models > 1 Y 40 >Sold by foot- for 1/8 to 5 Ton > 1 44 > Sold by foot-for 1/8 to 5 Ton > 1 4 > Sold by foot-Single Speed Hoist & Trolley-for 1/8 to 5 Ton>1 52 > Sold by the foot, SS/SS, DS/SS for 8 to 10(L/LD) Ton > 1 52 > Sold by the foot, DS/SS for 10 (S/SD) Ton > 1 52 > Sold by the foot, DS/SS for 15 to 20 Ton > 2 2 > Sold by the foot, SS/SS for 8 to 20 Ton > 1
    SKU: HAR16/6P

    Harrington Pendant Cable 16/6P

    $9.37
    Adding to cart… The item has been added
  • 23 > Reference 23A - E-Stop Button and Switch Assembly Only > 1 20 > Reference 20A - E-Stop Button and Switch Assembly Only > 1 13 > For Models: EM001S, EM003L, EM005C, SEM003L, SEM005C > 1
    SKU: HARSWD9024AA

    E-STOP ASSEMBLY SWD9024AA

    $39.97
    Adding to cart… The item has been added
  • 18 > Machine Screw with Spring Washer For Models: 010S, 010L > 4 19 > Machine Screw With Spring Washer For Models: 025S > 2 21 > Machine Screw with Spring Washer For Models: 050L > 2 2 > Machine Screw w/ Spring Washer For All Models > 2 2 > For All Models > 2 11 > For Models: 003H, 005S, 010L, 010M, 010S, 015S, 020L, 020M, 030C > 4 16 > For Models: 001H, 003S, 005L, 003H, 005S, 010L, 010M, 010S, 015S, 020L, 020M, 030C > 2 27 > For All Models > 2 11 > For Models: 005S, 010L, 010S, 020L, 030C > 4 16 > For Models: 003S, 005L, 005S, 010L, 010S, 020L, 030C, > 2 16 > for 1/8 to 5 Ton > 2
    SKU: HARM6F554010

    Harrington Machine Screw W/ Spring Washer M6F554010

    $0.79
    Adding to cart… The item has been added
  • 24 > Warning Tag PB For All Models > 1 22 > For All Models > 1 24 > For All Models > 1 25 > For Models: 003S, 005L, 005S, 010L, 010S, 020L, 030C > 1 180 > For Models: TCR250C, TCR500C, TCR1000C2,TCR1000C, TCR2000C2, TCR3000C, TCR6000C2 > 1 26 > Warning Tag > 1 5 > For 1/8 to 5 Ton > 1
    SKU: HARWTAG7

    Harrington Warning Tag, WTAG7

    $19.36
    Adding to cart… The item has been added
  • 23 > Pendant Assembly - Single Speed Models > 1 20 > For All Models > 1
    SKU: HARSWD1100AA

    2-PB SWITCH ASSY ER2, SWD1100AA

    Call for Price
    Adding to cart… The item has been added
  • 35 > For All Models > 1 35 > All Models > 1 1 > Cord Support (Wire Stop) For All Models > 1 1 > For All Models > 1 26 > For All Models > 1 31 > For Models: 003S, 005L, 005S, 010L, 010S, 020L, 030C > 1
    SKU: HARER1BS9534

    Cord support (wire stopper) ER1BS9534

    $5.91
    Adding to cart… The item has been added
  • SKU: HARER1BS9535

    WIRE STOPPER L, ER1BS9535

    Call for Price
    Adding to cart… The item has been added
  • 22 > For All Models > 1 13 > For All Models > 1 14 > For All Models > 1 10 > For All Models > 1 4 > For Models: 003S, 005L, 005S, 010L, 010S, 020L, 030C > 1
    SKU: HARER1BS9541

    CABLE SUPPORT ARM ER1BS9541

    $39.31
    Adding to cart… The item has been added
  • Vertical + 180 + side pull Model BD 26 > For All Models > 1 8 > Machine Screw w/ Spring Washer For All Models > 2 8 > For All Models > 2 47 > All Models > 2 15 > For All Models > 2 27 > All Models > 1 47 > For Models: 003S, 005L, 005S, 010L, 010S, 020L, 030C > 2 5 > For Models: 003S, 005L, 005S, 010L, 010S, 020L, 030C > 2
    SKU: HARES650005S

    Machine Screw W/Spring Washer - ES650005S

    $0.79
    Adding to cart… The item has been added
  • 11 > Power Supply Cable 30 Feet > 1 11 > Power Supply Cable 30 Feet > 1
    SKU: HARZBZA12CH1100

    Harrington PSC 16/4 UP TO 020L, 30 ft Length, ZBZA12CH1100

    $525.13
    Adding to cart… The item has been added
  • SKU: HARES822003

    Harrington Cable Support 12 Assembly ES822003

    $58.68
    Adding to cart… The item has been added
  • 11 > Power Supply Cable 15 Feet > 1 11 > Power Supply Cable 15 Feet > 1
    SKU: HARZBZA12CH1050

    Harrington PSC COMP SET B-E SIZE ER2, 15 ft. Length, ZBZA12CH1050

    $365.36
    Adding to cart… The item has been added
  • SKU: HARSWD2200AA

    2-PB SWITCH ASSY ER2, SWD2200AA

    Call for Price
    Adding to cart… The item has been added