-
CableKing BEW Gearing Load Brake
-
CableKing BEWX Gearing Load Brake
-
CableKing BEW-Standard Headroom Upper Limit Switch
-
CableKing BEW-Close Headroom Upper Limit Switch
-
BEW - Traveling Nut Geared Limit Switch Assembly
-
CableKing BEW-Geared Limit Switch
-
CableKing BEW-OverLoad Limit Switch
-
CableKing BEW-Transformer
-
CableKing BEW-Gearing ST Series
-
CableKing BEW-Trolley Gear Box
-
CableKing BEW-Drive Units TR Series
-
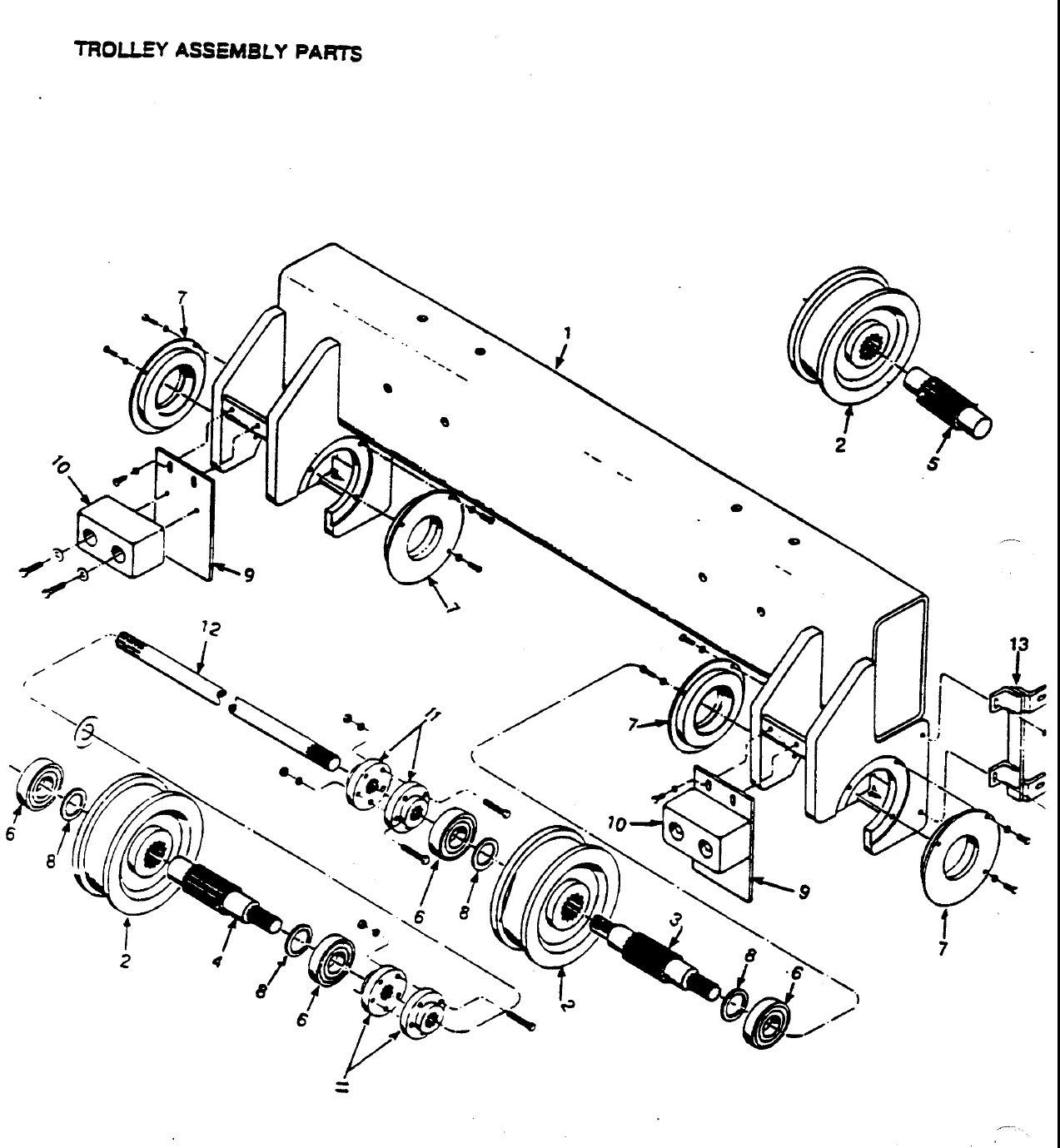
CableKing BEW - Trolley Assembly Parts
-
CableKing BEW - 4-7/8" & 6" Tread Diameter Wheels
-
CableKing BEW - 8" & 10" Tread Diameter Wheels
Find the part you need by exploring the diagrams below.
Can't find the part you're looking for? Give us a call at (800) 733-2231.
CableKing BEW Gearing Load Brake
CableKing BEWX Gearing Load Brake
CableKing BEW-Standard Headroom Upper Limit Switch
CableKing BEW-Close Headroom Upper Limit Switch
BEW - Traveling Nut Geared Limit Switch Assembly
CableKing BEW-Geared Limit Switch
CableKing BEW-OverLoad Limit Switch
CableKing BEW-Transformer
CableKing BEW-Gearing ST Series
CableKing BEW-Trolley Gear Box
CableKing BEW-Drive Units TR Series
CableKing BEW - Trolley Assembly Parts
CableKing BEW - 4-7/8" & 6" Tread Diameter Wheels
CableKing BEW - 8" & 10" Tread Diameter Wheels