-
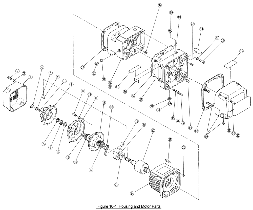
SNER Electric Hoist - Housing-Motor Parts(Fig10-1)
-
SNER Electric Hoist - Gearing Parts (Figure 10-2)
-
SNER Electric Hoist - Hook Parts (Figure 10-3)
-
SNER Electric Hoist - Chaining Parts (Figure 10-4)
-
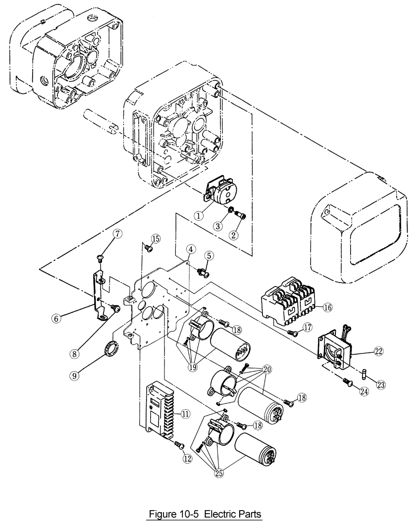
SNER Electric Hoist - Electric Parts (Figure 10-5)
-
SNER Electric Hoist - Power-Pendant Parts(Fig10-6)
Find the part you need by exploring the diagrams below.
Can't find the part you're looking for? Give us a call at (800) 733-2231.
SNER Electric Hoist - Housing-Motor Parts(Fig10-1)
SNER Electric Hoist - Gearing Parts (Figure 10-2)
SNER Electric Hoist - Hook Parts (Figure 10-3)
SNER Electric Hoist - Chaining Parts (Figure 10-4)
SNER Electric Hoist - Electric Parts (Figure 10-5)
SNER Electric Hoist - Power-Pendant Parts(Fig10-6)