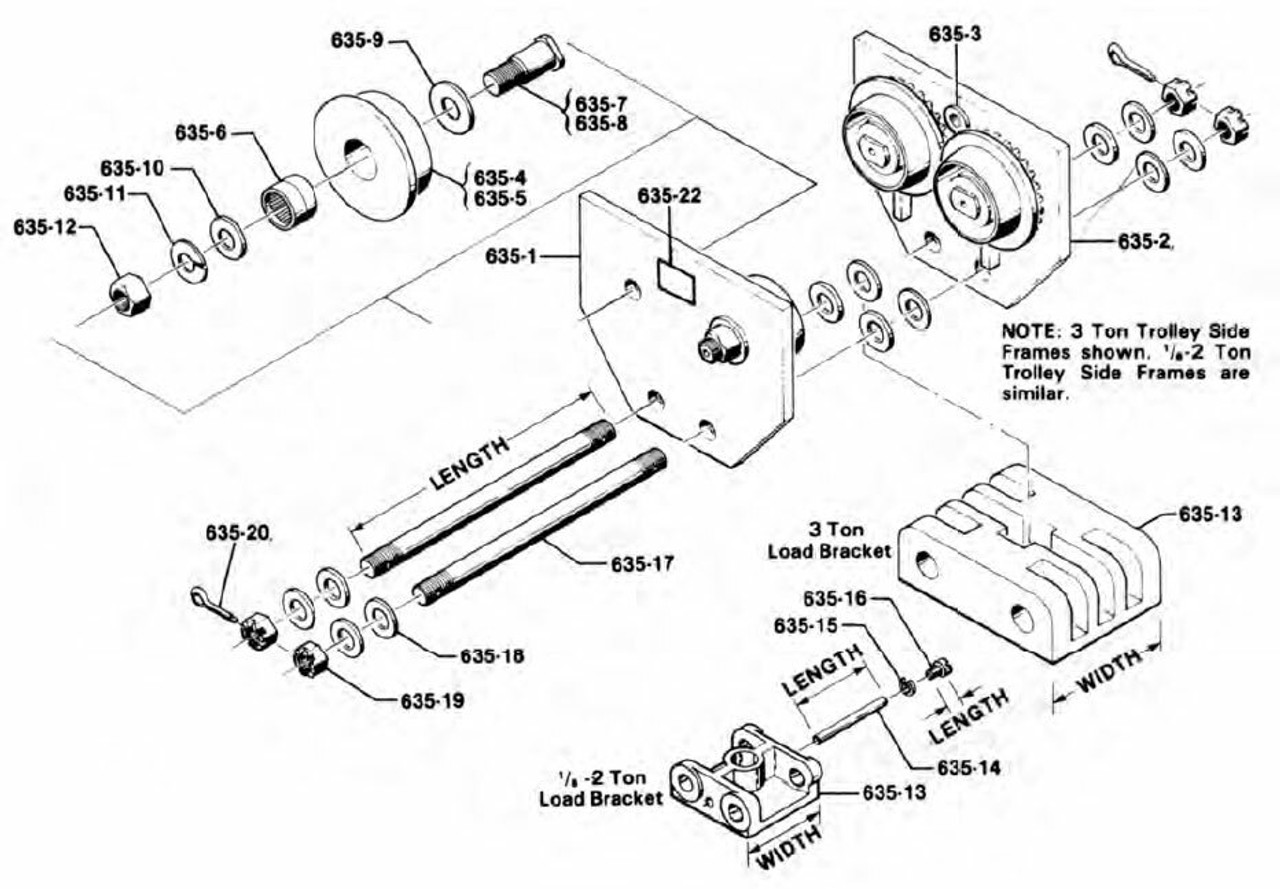
Fig 12 - Trolley Components Parts

CM Hoist Parts,CM Series 635 Motor Trolley,Fig 12 - Trolley Components Parts
  • 6 > for 1/8 - 3 ton models > 4
    SKU: CM82113

    CM Trackwheel Bearing - 82113

    $124.41
    Adding to cart… The item has been added
  • 4 > for 1/8 - 3 ton models > 2
    SKU: CM39002

    CM Trackwheel Plain 39002

    $324.86
    Adding to cart… The item has been added
  • 163C > 1-1/2 - 3-Ton > 4 306 > All > 4 306 > Intermediate Pinion Nut Lockwasher (For Use on 2, 3, 4, 5, 6, 9 & 10 (3 Part Reeved) and 15 Ton Unit) > 4 20 > for 1/8 thru 2 Ton Trolley > 4
    SKU: CM988368

    Suspension Bolt Cotter Pin 988368

    $1.78
    Adding to cart… The item has been added
  • 17 > 3 Ton Trolley > 2
    SKU: CM35187

    CM Suspension Bolt 35187

    $1,114.17
    Adding to cart… The item has been added
  • 14 > 1/8" - 2 Ton Trolley > 1
    SKU: CM35413

    CM Suspension Lug Pin 2-7/8" Long 35413

    $52.97
    Adding to cart… The item has been added
  • 163B > 1-1/2 - 3-Ton > 4 305 > All > 4 150 > Chain Hanger Nut > 1 305 > Hoist Suspension Bolt Nut (For Use on 2, 3, 4, 5, 6, 9 & 10 (3 Part Reeved) and 15 Ton Units) > 4 19 > for 1/8 trhu 2 ton trolley > 4
    SKU: CM958818

    Suspension Bolt Nut 958818

    $62.95
    Adding to cart… The item has been added
  • 13 > 3-3/8" thru 5-5/8" Flange range, 4-3/16" wide > 1
    SKU: CM35033

    CM Load Bracket, 1/8 - 2 Ton 35033

    $711.07
    Adding to cart… The item has been added
  • 13 > 4" thru 5-5/8" Flange range, 4-13/16" wide > 1
    SKU: CM36012

    CM Load Bracket, 3 Ton 35012

    $772.24
    Adding to cart… The item has been added
  • 13 > 6-7/16" wide > 1
    SKU: CM36021

    CM Load Bracket, 3 Ton 35021

    $1,070.78
    Adding to cart… The item has been added
  • 3 > for 1/8 - 3 ton models > 1
    SKU: CM82055

    CM Motor Shaft Bearing 82055

    $47.39
    Adding to cart… The item has been added
  • 18 > 3 Ton Trolley > 4
    SKU: CM936827

    CM Spacer Washer 936827

    $29.08
    Adding to cart… The item has been added
  • 18 > 1/8 thru 2 Ton Trolley > 4
    SKU: CM981012

    CM Spacer Washer 981012

    $25.09
    Adding to cart… The item has been added
  • 8 > for 1/8 - 3 ton models > 2
    SKU: CM36362

    CM Stud Trackwheel Geared Wheel - 36362

    $449.73
    Adding to cart… The item has been added
  • 17 > 1/8" - 2 Ton Trolley > 2
    SKU: CM35430

    CM Suspension Bolt - 35430

    $687.52
    Adding to cart… The item has been added
  • 17 > 3 Ton Trolley > 2
    SKU: CM36358

    CM Suspension Bolt - 36358

    $426.04
    Adding to cart… The item has been added
  • 17 > 1/8" - 2 Ton Trolley > 2
    SKU: CM35446

    CM Suspension Bolt 35446

    $300.92
    Adding to cart… The item has been added