Free domestic shipping for online orders over $500
*SOME RESTRICTIONS DO APPLY
About Us
Contact Us
Locations
Careers
Search
SEARCH
Sign in
or
Register
(
)
(800) 733-2231
close
Sign in
or
Register
(800) 733-2231
Shop All
Hoists
Electric Chain Hoists
Hand Chain Hoist / Chain Fall Hoist
Come Alongs / Lever Hoists
Air Chain Hoists
Wire Rope Hoists
Battery Operated Hoists
Construction / Builder's Hoist
Chain Container Kits
Hoist Parts
Budgit Hoist Parts
Demag Hoist Parts
CM Hoist Parts
Coffing Hoist Parts
Harrington Hoist Parts
Detroit Hoist Parts
Little Mule Hoist Parts
Shaw-Box Hoist Parts
Yale Hoist Parts
R & M Hoist Parts
Electrification
Pendant Control Stations
Pendant Control Inserts, Switches, and Accessories
Cable Assemblies & Bulk Cable
Radio Controls
Festoon System Parts & Accessories
Tagline Festoon Systems
Conductor Bar System
Cable Reels
Motors, VFD's and Resistors
Contactors
Phase Protector
Fuse
Chain & Rope
Bulk Chain
Chain by foot
Bulk Wire
Wire by foot
Accessories
Slings & Rigging
Web Slings
Synthetic Round Slings
Chain Slings
Wire Rope Slings
Ratchet Binders & Tie Downs
Shackles, Hooks & Tongs
Turnbuckles
Lifting Clamps / Plate Dogs
Renfroe Repair Rebuild Kits
Hoist Rings
Cranes Kits & End Trucks
Crane Kits
Bridge Crane End Trucks
Gantry, Jib, Davit Cranes & Winches
Gantry Cranes
Jib Cranes
Davit Cranes
Winches
Wire Rope Assemblies
Trolleys and Beam Clamps
Plain Trolleys
Geared Trolleys
Lifting Beam Clamps
Tractor Drives
Motorized Trolleys
Lifting & Spreader Beams For Cranes
Lifting Beams
Spreader Beam
Stainless Steel
Stainless Steel Chain
Stainless Steel Shackles
Stainless Steel Wire Rope
Stainless Steel Clips & Thimbles
Stainless Steel Turnbuckles
Stainless Steel Hooks
Stainless Steel Blocks
Stainless Steel Links & Rings
Stainless Threaded Products
Fall Protection
Harness
Lanyards
Fall Protection Kits
Monorail Systems
Retractables
Swing Arm Systems
Fall-Rated Hardware
Rebar Assemblies
Carrying Cases & Accessories
Load Measurement
Load Indicator
Electronic Load Limiter
Tensionmeter
Safety Guardrails
Build-A-Rail Guard Rails
Floor Mounted Barriers
Guard Rails
Clearance Items
Service
Inspections and PM
Runway Surveys
Installations & Modernizations
Factory Authorized Repairs
Field Service
Cranes
Custom Lifting Solutions
Types of Cranes
Ace In The Field Photo Gallery
Reference Information
Manuals, Diagrams, and Brochures
Hoist Information
Electric Chain Hoist Buyer's Guide
Hand Chain Hoists
Lever Hoists
Wire Rope Hoists
Wind Turbine Maintenance Hoists
Electrification
Synthetic Slings
Lifting Beams and Spreader Beams
General Reference Material
Wire Sizing Guide
American Standard I-Beam Dimensions
Beam Dimensions for Wide Flange (W) Shapes
CMAA Duty Classifications
Ace Training Videos
FAQ
Glossary
Sale
Ace Merchandise
Blog
Home
Shop All
Hoist Parts
CM Hoist Parts
CM Series 635 Motor Trolley
Find the part you need by exploring the diagrams below.
Can't find the part you're looking for? Give us a call at
(800) 733-2231
.
Fig 11 - 4 Directional Control Station Parts
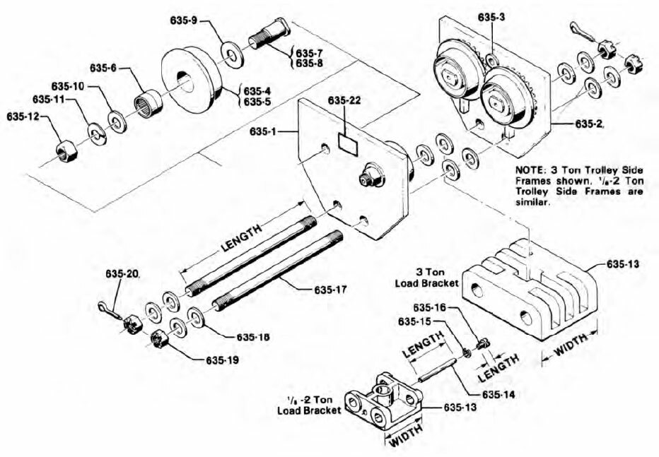
Fig 12 - Trolley Components Parts
Fig 13 - Control Box Parts
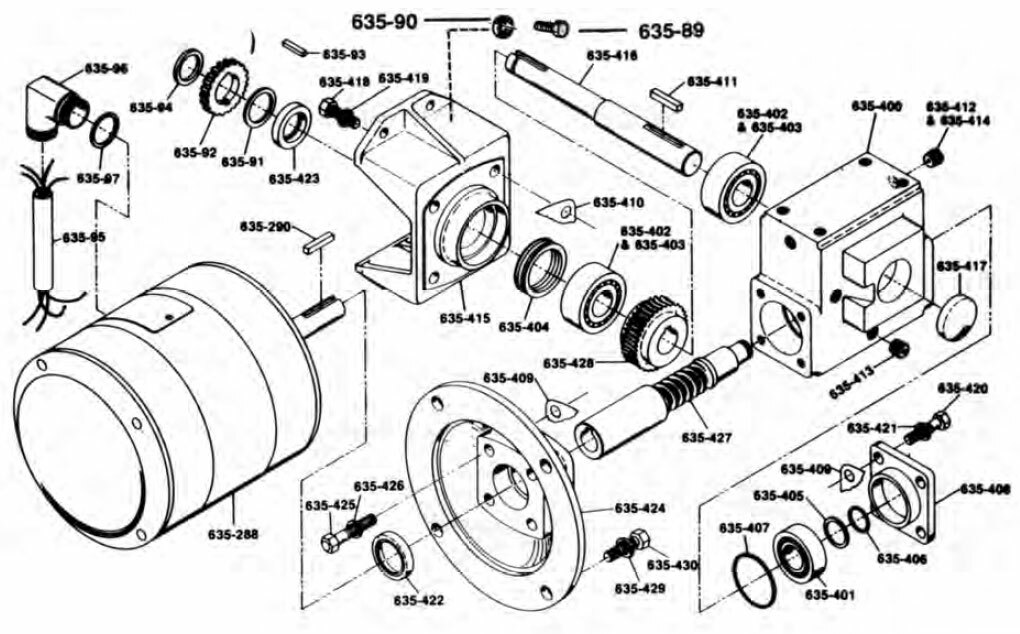
Fig 14 - Motor and Hub City Type Gear Reducer
Fig 15 - Motor and Peerless-Winsmith Gear Reducer
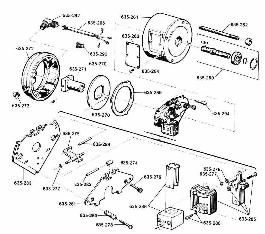
Fig 16 - Motor Brake Parts
Can't find the part you are looking for?
Give us a call at:
800.733.2231
Looking for replacement push button / pendant controls for BRAND?
View complete inventory
Close
×
OK